We are pleased to announce that our Cast iron Resilient Gate Valve DIN3202 F4 DN1000 PN10 has been shipped to our valued customers. This valve is a high-quality product that is designed to meet the demands of a wide range of industrial applications. In this article, we will provide an overview of the product parameters for this valve, as well as a description of its packaging.
Product Parameters
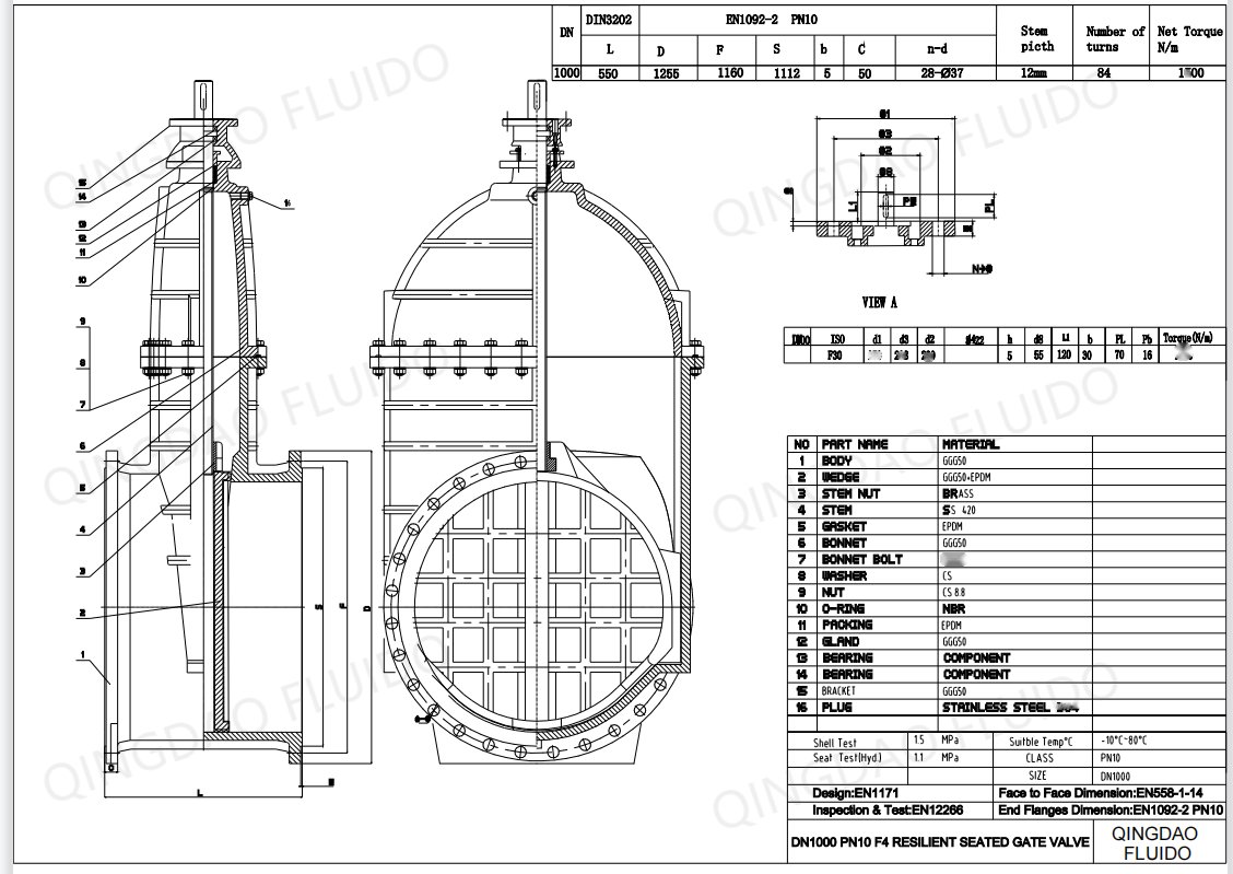
The Cast iron Resilient Gate Valve DIN3202 F4 DN1000 PN10 is a robust and reliable product that is designed to withstand the most demanding industrial environments. Here are the key product parameters for this valve:
Type | Resilient Gate Valve |
Size | DN1000(40inch, ND1000) |
Pressure Rating | PN10 |
Construction | BB, Non rising Stem |
End Connection Type | EN1092-1 or DIN 2532 Flanged |
Operation Type | Gearbox or wheel |
Body Material | Cast Iron |
Wedge/Disc Material | Ductile Iron |
Stem Material | SS410 |
Seat Material | EPDM |
Design Code | DIN 3352 |
Face to Face Dimension | DIN 3202 F4 |
Operating Temperature | -10°C to 120°C |
This valve is suitable for a wide range of applications, including water treatment, wastewater treatment, chemical processing, and more. Its robust construction and high-quality materials ensure that it provides reliable performance over the long term.
Cast iron Resilient Gate Valve DIN3202 F4 DN1000 PN10 Drawing

Valve pressure testing
The purpose of valve pressure testing is to verify that the valve can withstand its rated maximum pressure without leakage or failure. This is a critical process to ensure the safety and reliability of the valve. The testing process involves pressurizing the valve with water or other suitable liquid and monitoring it for leaks or abnormal behavior.
To perform a Cast iron Resilient Gate Valve DIN3202 F4 DN1000 PN10 pressure test, specialized equipment is required, including a high-pressure pump, pressure gauge, and safety valve. The test should be performed in a controlled environment and under the supervision of qualified personnel.
During the test, the valve should be completely closed and the pressure gradually increased to the maximum rated pressure. The pressure should be held for a certain period of time, usually 30 minutes, and then slowly released. After the test the valve should be checked for any leaks or damage.
In summary, pressure testing of Cast iron Resilient Gate Valve DIN3202 F4 DN1000 PN10 is an important process to ensure the safety and reliability of valves in large-scale industrial applications. Proper test procedures and equipment should be used and qualified personnel should supervise the testing process to ensure accurate and reliable results.

Packaging
The Cast iron Resilient Gate Valve DIN3202 F4 DN1000 PN10 is carefully packaged to ensure that it arrives at its destination in perfect condition. Here's what you can expect when you receive your valve:
- The valve is wrapped in plastic to protect it from moisture and dust during shipping.
- The valve is then placed in a sturdy wooden crate to protect it from damage during transport.
- The crate is secured with metal bands to ensure that the valve does not shift or move during shipping.

When you receive your valve, it is important to inspect it carefully to ensure that it has arrived in good condition. If you notice any damage or defects, please contact us immediately so that we can resolve the issue.
Conclusion
The Cast iron Resilient Gate Valve DIN3202 F4 DN1000 PN10 is a high-quality product that is designed to meet the demands of a wide range of industrial applications. Its robust construction and high-quality materials ensure that it provides reliable performance over the long term. And with careful packaging, you can be sure that your valve will arrive at its destination in perfect condition. For more information please check our product page, if you have any questions about this valve or would like to place an order, please contact us today.