Export Office: 21Floor, No.5 Nanhai Zhi Road,Qingdao, Shandong ,China
Work Shop: Beian Industrial zone, Qingdao,Shandong,China
+86 532 88550858
Martin
Inquiry now
Threaded 90-degree elbows are some of the most important parts of plumbing and piping systems. They allow for smooth changes in the direction of flow. Getting the right size and specifications for an elbow is important for proper fit, system functionality, and leak-free connections. In this blog, you will be guided through some critical size and specifications considerations while buying threaded 90-degree elbows.
Threaded 90-degree elbows refer to a class of pipe fittings in which two pipes or tubes are connected at right angles. The uses of such elbows are so general and become very usual in systems concerning water supply, drainage, and various forms of lines such as gases where it requires the flow direction to change. These elbows will be either male-threaded or female-threaded on both ends for screwing into a compatible threaded fitting or pipes.
1. Nominal Pipe Size (NPS): NPS is the most basic form of size specification of all threaded elbows. It is a non-dimensional number that expresses the standard designation of pipe sizes used in North America. NPS defines the general size for pipes and tubes by measuring approximately the inside diameter, though it does not correspond directly to any diameter measurements.
2. Outside Diameter (OD): Threaded elbows are designed to fit specific ODs based on the NPS designation. This is where referring to the manufacturer's specifications to get the exact OD required for your application is important.
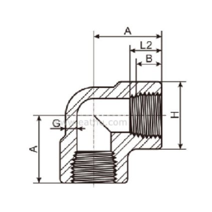
3. Center to End (A): It is the dimension from elbow centerline to the end of the fitting. The importance of this dimension in an elbow lies in the total space the fitting will cover, apart from its alignments at installation. The size of this dimension depends upon NPS and the kind of elbow - long or short radius.
FLUIDO has listed dimensions for threaded 90-degree elbows, tees and crosses for the following DN and pressure ratings : 2000, 3000, 6000. For example, for a DN 25 (1-inch) elbow, the center to end distance A is 38 mm independent of the pressure rating.
4. Thread Size and Type: Threaded elbows can be provided with different sizes and types of threads. The most common type of thread for plumbing applications is National Pipe Thread, or NPT, a tapered thread designed to seal by creating a leak-tight joint. Other thread types include BSP (British Standard Pipe).
1. Material: The material of construction is important for determining strength, durability, and compatibility of the elbow with the media it will handle. Common materials used to make threaded 90-degree elbows include:
Carbon Steel: Carbon steel, having good strength and relatively low in cost. Carbon steel, however, can be subjected to corrosion by mere exposure to moisture or certain kinds of chemicals.
Stainless Steel: It is very well known for its excellent resistance to corrosion, and stainless steel is preferred in severe environment applications, corrosive media, or at high temperatures.
Brass: Being an alloy of copper and zinc, brass has excellent resistance to corrosion and is widely used in water supply lines and plumbing.
PVC: A cheap material that suits water and some chemical purposes, PVC is light and corrosion-resistant.
2. Pressure Rating: It is defined as the maximum pressure which an elbow can safely sustain. The elbow to be used in such an application should be selected keeping in mind a rating higher than the expected maximum pressure in the system.
3. Standards and Certifications: Good-quality elbow manufacturers follow various industrial standards and certifications to assure the quality and safety of their products. The general standards for threaded elbows are ASME B16.11 for forged fittings and ASME B1.20.1 stipulating threads for pipe.
FLUIDO maintains a large stock of threaded 90-degree elbows manufactured according to the highest parameters of quality. The elbow is in different sizes, pressure ratings, and material specifications for those applications that need them. Given the quality and rich experience which FLUIDO has in this line of business, FLUIDO stands out as one of the well-trusted partners in your needs concerning threaded 90-degree elbows. Contact FLUIDO for quality and professional advice regarding plumbing or piping projects today.
Export Office: 21Floor, No.5 Nanhai Zhi Road,Qingdao, Shandong ,China
Work Shop: Beian Industrial zone, Qingdao,Shandong,China
+86 532 88550858
Martin
© 2020 Qingdao Fluido Industrial Co.,Ltd. All Rights Reserved. Qingdao fluido valve