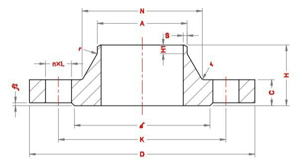
Dimensions of Weld Neck Flanges PN 16 EN 1092-1
2021/01/03 23:06:46
EN 1092-1 weld neck flange dimension PN16, also known as BS EN1092-1 weld neck flange PN16 standard. EN 1092-1 is the European standard for flanges. Compared with American standard ANSI B16.5 flanges, it is lighter in wall thickness and outer diameter and saves costs. It is widely used in European, African and Middle Eastern markets. The South African standard and the Australian standard draw lessons from the EN1092-1 flange standard on the wall thickness of the flange. EN1092-1 is mainly used in water transmission, oil and mining.
Dimensions of Weld Neck Flanges PN 16 EN 1092-1

| DN | Pipe OD, A | Outside Diameter, D | Diameter of Bolt Circle, K | Diameter of Bolt Holes, L | No. of bolts | Diameter of Raised Face, d | Height of Raised Face, f1 | Flange thickness, C | Length of Flange, H | Neck Diameter , N | Wall thickness, S | Length of right end, H1 | Radius of Corners, r |
| Series Ⅰ | Series Ⅱ | Series Ⅰ | Series Ⅱ |
| 10 | 17.2 | 14 | 90 | 60 | 14 | 4 | 40 | 2 | 16 | 35 | 28 | 2 | 6 | 4 |
| 15 | 21.3 | 18 | 95 | 65 | 14 | 4 | 45 | 2 | 16 | 38 | 32 | 2 | 6 | 4 |
| 20 | 26.9 | 25 | 105 | 75 | 14 | 4 | 58 | 2 | 18 | 40 | 40 | 2.3 | 6 | 4 |
| 25 | 33.7 | 32 | 115 | 85 | 14 | 4 | 68 | 2 | 18 | 40 | 46 | 2.6 | 6 | 4 |
| 32 | 42.4 | 38 | 140 | 100 | 18 | 4 | 78 | 2 | 18 | 42 | 56 | 2.6 | 6 | 6 |
| 40 | 48.3 | 45 | 150 | 110 | 18 | 4 | 88 | 3 | 18 | 45 | 64 | 2.6 | 7 | 6 |
| 50 | 60.3 | 57 | 165 | 125 | 18 | 4 | 102 | 3 | 18 | 45 | 74 | 2.9 | 8 | 6 |
| 65 | 76.1 | 76 | 185 | 145 | 18 | 8 | 122 | 3 | 18 | 45 | 92 | 2.9 | 10 | 6 |
| 80 | 88.9 | 89 | 200 | 160 | 18 | 8 | 138 | 3 | 20 | 50 | 105 | 3.2 | 10 | 6 |
| 100 | 114.3 | 108 | 220 | 180 | 18 | 8 | 158 | 3 | 20 | 52 | 131 | 3.6 | 12 | 8 |
| 125 | 139.7 | 133 | 250 | 210 | 18 | 8 | 188 | 3 | 22 | 55 | 156 | 4 | 12 | 8 |
| 150 | 168.3 | 159 | 285 | 240 | 22 | 8 | 212 | 3 | 22 | 55 | 184 | 4.5 | 12 | 10 |
| 200 | 219.1 | 219 | 340 | 295 | 22 | 12 | 268 | 3 | 24 | 62 | 235 | 6.3 | 16 | 10 |
| 250 | 273 | 273 | 405 | 355 | 26 | 12 | 320 | 3 | 26 | 70 | 292 | 6.3 | 16 | 12 |
| 300 | 323.9 | 325 | 460 | 410 | 26 | 12 | 378 | 4 | 28 | 78 | 344 | 7.1 | 16 | 12 |
| 350 | 355.6 | 377 | 520 | 470 | 26 | 16 | 438 | 4 | 30 | 82 | 390 | 400 | 8 | 16 | 12 |
| 400 | 406.4 | 426 | 580 | 525 | 30 | 16 | 490 | 4 | 32 | 85 | 445 | 450 | 8 | 16 | 12 |
| 450 | 457 | 480 | 640 | 585 | 30 | 20 | 550 | 4 | 34 | 83 | 490 | 506 | 8 | 16 | 12 |
| 500 | 508 | 530 | 715 | 650 | 33 | 20 | 610 | 4 | 36 | 84 | 548 | 559 | 8 | 16 | 12 |
| 600 | 610 | 630 | 840 | 770 | 36 | 20 | 725 | 5 | 40 | 88 | 670 | 670 | 10 | 18 | 12 |
| 700 | 711 | 720 | 910 | 840 | 36 | 24 | 795 | 5 | 40 | 104 | 755 | 755 | 10 | 18 | 12 |
| 800 | 813 | 820 | 1025 | 950 | 39 | 24 | 900 | 5 | 62 | 108 | 855 | 855 | 12.5 | 20 | 12 |
| 900 | 914 | 920 | 1125 | 1050 | 39 | 28 | 1000 | 5 | 64 | 118 | 955 | 958 | 12.5 | 20 | 12 |
| 1000 | 1016 | 1020 | 1255 | 1170 | 42 | 28 | 1115 | 5 | 68 | 137 | 1058 | 1060 | 12.5 | 22 | 16 |
| 1200 | 1219 | 1220 | 1485 | 1390 | 48 | 32 | 1330 | 5 | 78 | 160 | 1262 | 14.2 | 30 | 16 |
| 1400 | 1422 | 1420 | 1685 | 1590 | 48 | 36 | 1530 | 5 | 84 | 177 | 1465 | 16 | 30 | 16 |
| 1600 | 1626 | 1620 | 1930 | 1820 | 56 | 40 | 1750 | 5 | 102 | 204 | 1668 | 17.5 | 35 | 16 |
| 1800 | 1829 | 1820 | 2130 | 2020 | 56 | 44 | 1950 | 5 | 110 | 218 | 1870 | 20 | 35 | 16 |
| 2000 | 2032 | 2020 | 2345 | 2230 | 62 | 48 | 2150 | 5 | 124 | 238 | 2072 | 22 | 40 | 16 |
For the material and working pressure,like 150psi,300psi,400psi,600psi,900psi,1500psi,2500psi, please check from Weld neck Flange