Export Office: 21Floor, No.5 Nanhai Zhi Road,Qingdao, Shandong ,China
Work Shop: Beian Industrial zone, Qingdao,Shandong,China
+86 532 88550858
Martin
Inquiry now
Size: 1/2"-80"/DN15-DN2000
Material: Carbon Steel, Stainless Steel, Alloy Steel
Standard: ASME/ANSI B16.9, B16.11, B16.28, JIS B2311, B2312, B2312, B2316 ASTM A403 MSS SP-43, SP-83, SP-97
Type: Seam Or Seamless
End: beveled end
Surface: Black Paint/Rust-proof Oil/Hot Dipped Galvanized
Wall Thickness: SCH10/10S, SCH20/20S, STD, SCH40/40S, XS, SCH80,SCH100, SCH120, SCH140, SCH160, XXS etc.(for ANSI),SGP(for JIS)
Connection: Welding
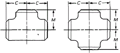
An equal tee also called traight tee.It is a buttweld fitting used to branch pipeline.If the main pipe and branch pipe have the same bore size,then an equal tee pipe fitting is necessary.
The equal cross has almost the same property as equal tee,but can branch pipeline to 4 way,so it is also called 4 way cross pipe fitting or 4 way cross tee.Same as other butt welding fittings,butt welding tee and weld cross is also seamless up to 24 inches, welded for tee sizes above 24 inches.Buttweld tees and cross are manufactured according to ASME B16.9 (carbon and alloy) and MSS SP 43 (stainless steel and nickel alloy).
ASME B16.9: Straight Tee & Cross

Dimensions of Straight Tee & Cross(ASME B16.9)
| Nominal Pipe | Outside | Center to End | |
| Size(NPS) | Diameter | Run, C | Outlet, M |
| 1/2" | 21.3 | 25 | 25 |
| 3/4" | 26.7 | 29 | 29 |
| 1" | 33.4 | 38 | 38 |
| 1-1/4" | 42.2 | 48 | 48 |
| 1-1/2" | 48.3 | 57 | 57 |
| 2" | 60.3 | 64 | 64 |
| 2-1/2" | 73 | 76 | 76 |
| 3" | 88.9 | 86 | 86 |
| 3-1/2" | 101.6 | 95 | 95 |
| 4" | 114.3 | 105 | 105 |
| 5" | 141.3 | 124 | 124 |
| 6" | 168.3 | 143 | 143 |
| 8" | 219.1 | 178 | 178 |
| 10" | 273 | 216 | 216 |
| 12" | 323.8 | 254 | 254 |
| 14" | 355.6 | 279 | 279 |
| 16" | 406.4 | 305 | 305 |
| 18" | 457 | 343 | 343 |
| 20" | 508 | 381 | 381 |
| 22" | 559 | 419 | 419 |
| 24" | 610 | 432 | 432 |
| 26" | 660 | 495 | 495 |
| 28" | 711 | 521 | 521 |
| 30" | 762 | 559 | 559 |
| 32" | 813 | 597 | 597 |
| 34" | 864 | 635 | 635 |
| 36" | 914 | 673 | 673 |
| 38" | 965 | 711 | 711 |
| 40" | 1016 | 749 | 749 |
| 42" | 1067 | 762 | 711 |
| 44" | 1118 | 813 | 762 |
| 46" | 1168 | 851 | 800 |
| 48" | 1219 | 889 | 838 |
*All dimensions are in mm unit(inch unit data sheet is also available upon request).
*Check the tolerances and materials for butt welding pipe fittings from "Price List and Techinical"
*Tolerances of dimensions are in conformance with ASME B16.9
Butt welding pipe fittings standard:
ASME B16.49-2007 Factory-Made,Wrought Steel, Buttwelding Induction Bends for Transportation and
ASME-B16.9-2007 Factory-Made Wrought Butt Welding Fitting
DIN2617-1991 Steel butt-welding pipe fittings
JIS G3452 SGP 1997 Steel Butt-welding pipe fittings for ordinary use
Weight for butt welding pipe fitting
Tolerances for ASME DIN JIS MSS Butt Welding Pipe Fittings
Wall Thickness Schedules (ASME B36.10 B36.19)
FLUIDO BUTT-WELDING FITTING TYPES

Export Office: 21Floor, No.5 Nanhai Zhi Road,Qingdao, Shandong ,China
Work Shop: Beian Industrial zone, Qingdao,Shandong,China
+86 532 88550858
Martin
© 2020 Qingdao Fluido Industrial Co.,Ltd. All Rights Reserved. Qingdao fluido valve