Export Office: 21Floor, No.5 Nanhai Zhi Road,Qingdao, Shandong ,China
Work Shop: Beian Industrial zone, Qingdao,Shandong,China
+86 532 88550858
Martin
Inquiry now
Size: 1/8"-4"
Pressure:
Socket weld : 3000LB 6000LB 9000LB
Threaded : 2000LB 3000LB 6000LBS
Connection: Socket Welding
Standard: ANSI B16.11,EN10241, BS3799,JIS B2316,MSS SP-83,MSS SP-79;
Material: Stainless steel, Carbon steel and Duplex stainless steel
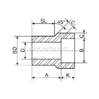
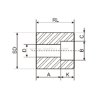
Socket Weld Reducing Insert:
A reducing insert is a kind of pipe fitting used to reduce the size of a pipe or fitting. Reducer insert fittings are usually used to connect a large-size pipe with a small-size pipe. There are two types of reducer inserts, socket weld reducer inserts and threaded reducer inserts.
Socket weld reducer insert fittings are made of high-quality materials such as stainless steel, carbon steel, and brass to ensure long-lasting performance. They are often used in high-temperature and high-pressure environments. Socket weld reducer fittings are designed to be welded directly to the pipe, providing a strong and secure connection. Sizes are available from 1/4”-24”, with pressures from 2000 to 9000lbs based on different wall thickness.


Socket Weld Reducing Insert Dimensions
| Nom. | Type | Socket | Shank | Laying Length | Bore | Wall Min. | Length | ||||||||
| Pipe | Dia. | Depth | Dia. | A | D | C | SL | RL(Min.) | |||||||
| Size | B | Min. | SD | ||||||||||||
| 3000 | 6000 | K | 3000 | 6000 | 3000 | 6000 | 3000 | 6000 | 3000 | 6000 | 3000 | 6000 | |||
| 3/8"×1/4" | 1 | 1 | 14.35 | 10 | 17.15 | 19 | 21 | 9 | 6.5 | 3.78 | 4.6 | 14 | 16 | --- | --- |
| 1/2"×3/8" | 1 | 1 | 17.78 | 10 | 21.34 | 21 | 23 | 12.5 | 9 | 4.01 | 5.03 | 16 | 16 | --- | --- |
| 1/2"×1/4" | 1 | 1 | 14.35 | 10 | 21.34 | 21 | 21 | 9 | 6.5 | 3.78 | 4.6 | 16 | 16 | --- | --- |
| 3/4"×1/2" | 1 | 1 | 21.97 | 10 | 26.67 | 22 | 25 | 16 | 11.5 | 4.67 | 5.97 | 17 | 19 | --- | --- |
| 3/4"×3/8" | 2 | 1 | 17.78 | 10 | 26.67 | 16 | 22 | 12.5 | 9 | 4.01 | 5.03 | --- | 19 | 27 | |
| 3/4"×1/4" | 2 | 2 | 14.35 | 10 | 26.67 | 18 | 22 | 9 | 6.5 | 3.78 | 4.6 | --- | --- | 27 | 32 |
| 1"×3/4" | 1 | 1 | 27.31 | 13 | 33.4 | 24 | 28 | 21 | 15.5 | 4.9 | 6.96 | 19 | 21 | --- | --- |
| 1"×1/2" | 2 | 1 | 21.97 | 10 | 33.4 | 16 | 28 | 16 | 11.5 | 4.67 | 5.97 | --- | 21 | 28 | --- |
| 1"×3/8" | 2 | 2 | 17.78 | 10 | 33.4 | 18 | 22 | 12.5 | 9 | 4.01 | 5.03 | --- | --- | 28 | 33 |
| 1"×1/4" | 2 | 2 | 14.35 | 10 | 33.4 | 19 | 24 | 9 | 6.5 | 3.78 | 4.6 | --- | --- | 28 | 33 |
| 1-1/4"×1" | 1 | 1 | 34.04 | 13 | 42.16 | 25 | 30 | 26.5 | 20.5 | 5.69 | 7.92 | 21 | 22 | --- | --- |
| 1-1/4"×3/4" | 2 | 2 | 27.31 | 13 | 42.16 | 18 | 21 | 21 | 15.5 | 4.9 | 6.96 | --- | --- | 32 | 35 |
| 1-1/4"×1/2" | 2 | 2 | 21.97 | 10 | 42.16 | 19 | 22 | 16 | 11.5 | 4.67 | 5.97 | --- | --- | 32 | 35 |
| 1-1/4"×3/8" | 2 | 2 | 17.78 | 10 | 42.16 | 21 | 24 | 12.5 | 9 | 4.01 | 5.03 | --- | --- | 32 | 35 |
| 1-1/4"×1/4" | 2 | 2 | 14.35 | 10 | 42.16 | 22 | 25 | 9 | 6.5 | 3.78 | 4.6 | --- | --- | 32 | 35 |
| 1-1/2"×1-1/4" | 1 | 1 | 42.8 | 13 | 48.26 | 28 | 35 | 35 | 29.5 | 6.07 | 7.92 | 22 | 25 | --- | --- |
| 1-1/2"×1" | 2 | 1 | 34.04 | 13 | 48.26 | 18 | 29 | 26.5 | 20.5 | 5.69 | 7.92 | --- | 25 | 33 | --- |
| 1-1/2"×3/4" | 2 | 2 | 27.31 | 13 | 48.26 | 19 | 25 | 21 | 15.5 | 4.9 | 6.96 | --- | --- | 33 | 40 |
| 1-1/2"×1/2" | 2 | 2 | 21.97 | 10 | 48.26 | 21 | 27 | 16 | 11.5 | 4.67 | 5.97 | --- | --- | 33 | 40 |
| 1-1/2"×3/8" | 2 | 2 | 17.78 | 10 | 48.26 | 22 | 28 | 12.5 | 9 | 4.01 | 5.03 | --- | --- | 33 | 40 |
| 2"×1-1/2" | 1 | 1 | 48.9 | 13 | 60.32 | 32 | 39 | 41 | 34 | 6.35 | 8.9 | 25 | 28 | --- | --- |
| 2"×1-1/4" | 2 | 2 | 42.8 | 13 | 60.32 | 21 | 24 | 35 | 29.5 | 6.07 | 7.92 | --- | --- | 38 | 41 |
| 2"×1" | 2 | 2 | 34.04 | 13 | 60.32 | 22 | 25 | 26.5 | 21 | 5.69 | 7.92 | --- | --- | 38 | 41 |
| 2"×3/4" | 2 | 2 | 27.31 | 13 | 60.32 | 24 | 27 | 21 | 15.5 | 4.9 | 6.96 | --- | --- | 38 | 41 |
| 2"×1/2" | 2 | 2 | 21.97 | 10 | 60.32 | 25 | 28 | 16 | 11.5 | 4.67 | 5.97 | --- | --- | 38 | 41 |
| 2-1/2"×2" | 1 | 1 | 61.37 | 16 | 73.02 | 46 | 43 | 52.5 | 43 | 6.93 | 10.92 | 32 | 38 | --- | --- |
| 2-1/2"×1-1/2" | 2 | 2 | 48.9 | 13 | 73.02 | 35 | 35 | 41 | 34 | 6.35 | --- | --- | --- | 54 | 54 |
| 2-1/2"×1-1/4" | 2 | 2 | 42.8 | 13 | 73.02 | 37 | 37 | 35 | 29.5 | 6.07 | --- | --- | --- | 54 | 54 |
| 2-1/2"×1" | 2 | 2 | 34.04 | 13 | 73.02 | 38 | 38 | 26.5 | 21 | 5.69 | --- | --- | --- | 54 | 54 |
| 2-1/2"×3/4" | 2 | 2 | 27.31 | 13 | 73.02 | 40 | 38 | 21 | 15.5 | 4.9 | --- | --- | --- | 54 | 54 |
| 3"×2-1/2" | 1 | 1 | 74.07 | 16 | 88.9 | 38 | 57 | 62.5 | 54 | 8.76 | --- | 32 | 45 | --- | --- |
| 3"×2" | 2 | 2 | 61.37 | 16 | 88.9 | 25 | 32 | 52.5 | 43 | 6.93 | --- | --- | --- | 48 | 54 |
| 3"×1-1/2" | 2 | 2 | 48.9 | 13 | 88.9 | 29 | 32 | 41 | 34 | 6.35 | --- | --- | --- | 48 | 54 |
| 3"×1-1/4" | 2 | 2 | 42.8 | 13 | 88.9 | 30 | 32 | 35 | 29.5 | 6.07 | --- | --- | --- | 48 | 54 |
| 3"×1" | 2 | 2 | 34.04 | 13 | 88.9 | 32 | 32 | 26.5 | 21 | 5.69 | --- | --- | --- | 48 | 54 |
| 4"×3" | 2 | --- | 90.04 | 16 | 114.3 | 33 | --- | 78 | --- | 9.5 | --- | --- | --- | 60 | --- |
| 4"×2-1/2" | 2 | --- | 74.07 | 16 | 114.3 | 38 | --- | 62.5 | --- | 8.76 | --- | --- | --- | 60 | --- |
| 4"×2" | 2 | --- | 61.37 | 16 | 114.3 | 38 | --- | 52.5 | --- | 6.93 | --- | --- | --- | 60 | --- |
| 4"×1-1/2" | 2 | --- | 48.9 | 13 | 114.3 | 42 | --- | 41 | --- | 6.35 | --- | --- | --- | 60 | --- |
| 4"×1-1/4" | 2 | --- | 42.8 | 13 | 114.3 | 43 | --- | 35 | --- | 6.07 | --- | --- | --- | 60 | --- |
Dimensional Tolerance of Reducer Insert
| Laying Length A | Socket 3/8" through 3/4" +1.50mm/-0.00mm |
| Size 1" through 2" +2.00mm/-0.00mm | |
| Size 2-1/2" through 4" +2.50mm/-0.00mm | |
| Socket Diameter B | Size 1/4" through 2" ±0.25mm |
| Size 2-1/2" through 3" +0.40mm/-0.25mm | |
| Bore D | Size 1/4" through 2" ±0.80mm |
| Size 2-1/2" through 3" ±1.50mm | |
| Shank Diamter SD | Size 3/8" through 1-1/2" ±0.25mm |
| Size 2" through 3" ±0.50mm | |
| Size 4" through ±0.75mm | |
| Shank Length SL | Size 3/8" through 3/4" +0.00mm/-1.50mm |
| Size 1" through 2" +0.00mm/-2.00mm | |
| Size 2-1/2" through 4" +0.00mm/-2.50mm |
Export Office: 21Floor, No.5 Nanhai Zhi Road,Qingdao, Shandong ,China
Work Shop: Beian Industrial zone, Qingdao,Shandong,China
+86 532 88550858
Martin
© 2020 Qingdao Fluido Industrial Co.,Ltd. All Rights Reserved. Qingdao fluido valve