Export Office: 21Floor, No.5 Nanhai Zhi Road,Qingdao, Shandong ,China
Work Shop: Beian Industrial zone, Qingdao,Shandong,China
+86 532 88550858
Martin
Inquiry now
Stainless steel screwed Half couplings
Size: 1/2" ,3/4", 1",125,150,2",3",4",5",6"
Pressure: 150lbs
Dimension: ISO4144
Technical: Precision Casting and punch press
Material: SUS201, SUS304, SUS316, (SS201 SS304 SS316)
Connection type: Female threaded
Gasket: buna(NBR),viton and Telfon
Application: oil,petroleum,chemical,water,gas,irrigation,papermaking,and beer,ect.
Thread end: NPT, FNPT, BSPT, BSP,G,DIN2999&BS21,ISO228/1&ISO7/1
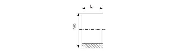
Stainless steel half threaded coupling is a kind of pipe coupling with half threaded. One side is female threaded and the other end is plain which can be welded onto a pipe.

| SIZE | 1/8" | 1/4" | 3/8" | 1/2" | 3/4" | 1" | 1-1/4" | 1-1/2" | 2" | 2-1/2" | 3" | 4" |
| L | 7.5 | 11 | 11.5 | 15 | 16.5 | 19.5 | 21.5 | 21.5 | 26 | 30.5 | 33.5 | 39.5 |
| W | 13 | 16.5 | 20 | 24.5 | 30 | 37.5 | 46.5 | 53 | 65.5 | 82 | 95.5 | 121.5 |
Export Office: 21Floor, No.5 Nanhai Zhi Road,Qingdao, Shandong ,China
Work Shop: Beian Industrial zone, Qingdao,Shandong,China
+86 532 88550858
Martin
© 2020 Qingdao Fluido Industrial Co.,Ltd. All Rights Reserved. Qingdao fluido valve