Export Office: 21Floor, No.5 Nanhai Zhi Road,Qingdao, Shandong ,China
Work Shop: Beian Industrial zone, Qingdao,Shandong,China
+86 532 88550858
Martin
Inquiry now
Size: 1/8"-4" threaded type
Pressure:
Threaded : 2000LB 3000LB 6000LBS (sch80 sch160 xxs)
Connection: Thread (NPT, BSP,RP, G)
Standard: ANSI B16.11,EN10241, BS3799,JIS B2316,MSS SP-83,MSS SP-79;
Material: Stainless steel, Carbon steel and Duplex stainless steel
A square head plug is a kind of plug with a square head. Plugs also have other types like round head and hex head.They all belong to forged pipe fittings and are used at the end of the pipe to stop flow.


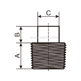
Square Head Plug Dimension
| DN | Nom. | Length | Square Head Plug | Round Head Plug | Hex.Head Plug&Bushing | ||||
| Pipe | (Min) | Height of | Width Flat | Nominal | Length | Width Flat | Hex.Height(Min.) | ||
| Size | A | Square | (Min.) | Diameter | (Min.) | (Nom.) | |||
| (Min.) | C | of Head(Nom) | E | F | Bushing | Plug | |||
| B | D | G | H | ||||||
| 6 | 1/8" | 10 | 6 | 7 | 10 | 35 | 6 | ||
| 8 | 1/4" | 11 | 6 | 10 | 14 | 41 | 16 | 3 | 6 |
| 10 | 3/8" | 13 | 8 | 11 | 18 | 41 | 18 | 4 | 8 |
| 15 | 1/2" | 14 | 10 | 14 | 21 | 44 | 22 | 5 | 8 |
| 20 | 3/4" | 16 | 11 | 16 | 27 | 44 | 27 | 6 | 10 |
| 25 | 1" | 19 | 13 | 21 | 33 | 51 | 36 | 6 | 10 |
| 32 | 1-1/4" | 21 | 14 | 24 | 43 | 51 | 46 | 7 | 14 |
| 40 | 1-1/2" | 21 | 16 | 28 | 48 | 51 | 50 | 8 | 16 |
| 50 | 2" | 22 | 18 | 32 | 60 | 64 | 65 | 9 | 18 |
| 65 | 2-1/2" | 27 | 19 | 36 | 73 | 70 | 75 | 10 | 19 |
| 80 | 3" | 28 | 21 | 41 | 89 | 70 | 90 | 10 | 21 |
| 100 | 4" | 32 | 25 | 65 | 114 | 76 | 115 | 13 | 25 |
(1) Dimensions in Millimeters.
(2) Dimension B is minimum length of perfect thread. The length of useful thread(B plus threads with fully formed roots and flat crests)shall not be less than L2(effective length of external thread)required by American National Standard for Pipe Threads ANSI/ASME B1.20.1)
Export Office: 21Floor, No.5 Nanhai Zhi Road,Qingdao, Shandong ,China
Work Shop: Beian Industrial zone, Qingdao,Shandong,China
+86 532 88550858
Martin
© 2020 Qingdao Fluido Industrial Co.,Ltd. All Rights Reserved. Qingdao fluido valve